异喹啉

异喹啉 基本信息
CAS号 119-65-3 分子式 C9H7N
分子量 129.15900 精确质量  129.05800
PSA  12.89000 LogP  2.23480

基本信息 展开↓

CAS号:
119-65-3
3D弹球模型:
立即前往扯扯看
分子式:
C9H7N
分子量:
129.15900
中文名称:
异喹啉
英文名称:
isoquinoline
中文别名:
异喹啉;
苯并[C]吡啶;
異喹啉
英文别名:
isoquinoline;
LEUCOLINE;
ISOCHINOLIN;
2-Benzanine;
FEMA 2978;
isoqionoline;
Isoquinoline;
Benzopyridine;
ISOQINOLINE;
Isochinoline;
ISOQUINOLIN;
2-BENZAZINE;
iso-quinoline
精确分子量/精确质量:
129.05800
极性分子表面积/PSA:
12.89000
油水分配系数/LogP:

LogP值指的是某物质在正辛醇/水两相体系中的分配系数的对数值,反映了物质在油水两相中的分配情况。其中、LogP值越大,说明该物质越亲油;反之,LogP值越小,则说明该物质越亲水。
贝尔斯坦号/MDL:
MFCD00006898
EINECS:
204-341-8
BRN:
107549
InChI:
InChI=1/C9H7N/c1-2-4-9-7-10-6-5-8(9)3-1/h1-7H

生产制备方法及用途展开↓

制备方法


含喹啉83%、异喹啉15%、甲基喹啉2%的粗喹啉可以作为异喹啉的资源,但一般是在切取237.5-239.5℃的粗喹啉馏分段后,继续切取243-246℃的馏分段,作为提取异喹啉的原料。此馏分段在以盐酸化物形态部分地分离出2-甲基喹啉13-28%、喹啉约3.9%。将异喹啉馏分在酒精溶液中与98%硫酸于35%℃反应生成异喹啉磺酸盐,冷却时,异喹啉磺酸盐比它的同系物磺酸盐先结晶析出。过滤后,用85%的乙醇进行重结晶,再用20%氨水分解,生成的油层用水洗涤后精馏切取242-243℃馏分,则得纯度大于95%的异喹啉。精制方法:将含量约40%的馏分加入硝酸镉,收集生成的沉淀。用硝酸镉 苯的混合液洗涤,水蒸气蒸馏处理后用30%氢氧化钠溶液分解,将游离出的油分进行水蒸气蒸馏即得纯品。收率73.0%~74.9%,熔点23.7~25℃。此外,也可用5A型分子筛或无水硫酸钠干燥后减压分馏的方法精制。

合成制备方法


含喹啉83%、异喹啉15%、甲基喹啉2%的粗喹啉可以作为异喹啉的资源,但一般是在切取237.5-239.5℃的粗喹啉馏分段后,继续切取243-246℃的馏分段,作为提取异喹啉的原料。此馏分段在以盐酸化物形态部分地分离出2-甲基喹啉13-28%、喹啉约3.9%。将异喹啉馏分在酒精溶液中与98%硫酸于35%℃反应生成异喹啉磺酸盐,冷却时,异喹啉磺酸盐比它的同系物磺酸盐先结晶析出。过滤后,用85%的乙醇进行重结晶,再用20%氨水分解,生成的油层用水洗涤后精馏切取242-243℃馏分,则得纯度大于95%的异喹啉。

精制方法:将含量约40%的馏分加入硝酸镉,收集生成的沉淀。用硝酸镉苯的混合液洗涤,水蒸气蒸馏处理后用30%氢氧化钠溶液分解,将游离出的油分进行水蒸气蒸馏即得纯品。收率73.0%~74.9%,熔点23.7~25℃。此外,也可用5A型分子筛或无水硫酸钠干燥后减压分馏的方法精制。

用途简介


生产防治血吸虫的药物,抗疟疾;制橡胶硫化促进剂,化学试剂等。

用途


用于农药、医药、橡胶促进剂、彩色影片增感剂、染料等产品的生产。用作医药、染料、杀虫剂、阴离子交换树脂等的原料,铁的防腐剂,可溶性酚醛树脂的固化剂等。与金属形成的加成化合物可用于镍、镉的定量测定和贵金属的定性测定。在苯甲酰化反应和α烯烃的聚合反应中,异喹啉亦可作催化剂使用。

物化性质展开↓

外观与性状:
略黄色固体块或碎片
密度:
1.099 g/mL at 25 °C(lit.)
熔点:
26-28 °C(lit.)
沸点:
242-243 °C(lit.)
闪点:
225 °F
水溶解性:
practically insoluble
折射率:
n20/D 1.623(lit.)
蒸汽压:
0.0506mmHg at 25°C
存储条件/存储方法:
包装完整、轻装轻放,库房通风、远离明火、高温、与氧化剂、强酸分开存放
稳定性相关:

避免与强氧化剂接触。

化学性质:异喹啉的碱性比喹啉稍强(pKa 5.14)。溶于稀酸成盐,其苦味酸盐的熔点224~225℃。与卤代烷等反应生成季铵盐。用高锰酸氧化时生成吡啶3,4-二羧酸和苯二甲酸。异喹啉用混酸硝化时,在5位和8位发生取代。直接溴化时在4位发生取代。将异喹啉与三氯化铝生成的加成化合物进行溴化时,在第五位发生取代。

其它信息:

1.      性状:无色片状结晶或液体,具吸水性,碱性较喹啉强。有类似茴香油和苯甲醚气味。

2.      密度(g/mL,30/4℃):1.09101

3.      熔点(ºC):26.48

4.      沸点(ºC,常压):243.24

5.      沸点(ºC,99.1KPa):242.2

6.      折射率(30ºC):1.62078

7.      黏度(mPa·s,30ºC):3.2528

8.      闪点(ºC,闭口):>107

9.      熔化热(KJ/mol):5.61

10.   燃烧热(KJ/mol):4702

11.   生成热(KJ/mol,液体,31ºC):145.18

12.   比热容(KJ/(kg·K) ,31ºC,定压):1.47

13.   临界温度(ºC):530

14.   蒸气压(kPa,63.5ºC):0.13

15.   体膨胀系数(K-1,30ºC):0.000722

16.   溶解性:能与醇、醚、苯、四氯化碳、乙酸苯酯、茚、氧茚等混溶。80℃时能与萘以任意比例混溶。

安全信息展开↓

包装等级:
II
风险类别:
6.1
海关代码:
2933499090
WGK_Germany:
2
德国有关水污染物质的分类清单
危险类别码:
R22;R24;R38
安全说明:
S36/37-S45-S36/37/39
RTECS号:
NW6825000
安全标志:
S45:出现意外或者感到不适,立刻到医生那里寻求帮助(最好带去产品容器标签)。
:
危险标志:
T:Toxic

合成路线查看所有的合成路线

  • 54243-41-3

    54243-41-3

  • ~97%

  • 119-65-3

    异喹啉

  • 2859-58-7

    1,2-dihydroisoquinoline

  • ~97%

  • 119-65-3

    异喹啉

  • 1532-72-5

    异喹啉-N-氧化物

  • ~97%

  • 119-65-3

    异喹啉

化学图谱

  1. 异喹啉红外图谱(IR1)

  2. 异喹啉红外图谱(IR2)

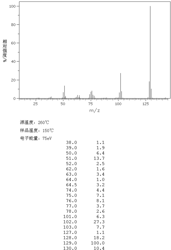
  3. 异喹啉质谱(MS)

  4. 异喹啉核磁图(13CNMR)

  5. 异喹啉核磁图(1HNMR)

上一页 1/4 下一页

毒理性展开↓

CHEMICAL IDENTIFICATION

RTECS NUMBER :
NW6825000
CHEMICAL NAME :
Isoquinoline
CAS REGISTRY NUMBER :
119-65-3
LAST UPDATED :
199806
DATA ITEMS CITED :
11
MOLECULAR FORMULA :
C9-H7-N
MOLECULAR WEIGHT :
129.17
WISWESSER LINE NOTATION :
T66 CNJ

HEALTH HAZARD DATA

ACUTE TOXICITY DATA

TYPE OF TEST :
Standard Draize test
ROUTE OF EXPOSURE :
Administration onto the skin
SPECIES OBSERVED :
Rodent - rabbit
REFERENCE :
85JCAE "Prehled Prumyslove Toxikologie; Organicke Latky," Marhold, J., Prague, Czechoslovakia, Avicenum, 1986 Volume(issue)/page/year: -,848,1986 ** ACUTE TOXICITY DATA **
TYPE OF TEST :
LD50 - Lethal dose, 50 percent kill
ROUTE OF EXPOSURE :
Oral
SPECIES OBSERVED :
Rodent - rat
DOSE/DURATION :
360 mg/kg
TOXIC EFFECTS :
Details of toxic effects not reported other than lethal dose value
REFERENCE :
AMIHBC AMA Archives of Industrial Hygiene and Occupational Medicine. (Chicago, IL) V.2-10, 1950-54. For publisher information, see AEHLAU. Volume(issue)/page/year: 4,119,1951
TYPE OF TEST :
LD50 - Lethal dose, 50 percent kill
ROUTE OF EXPOSURE :
Administration onto the skin
SPECIES OBSERVED :
Rodent - rabbit
DOSE/DURATION :
590 uL/kg
TOXIC EFFECTS :
Details of toxic effects not reported other than lethal dose value
REFERENCE :
AMIHBC AMA Archives of Industrial Hygiene and Occupational Medicine. (Chicago, IL) V.2-10, 1950-54. For publisher information, see AEHLAU. Volume(issue)/page/year: 4,119,1951
TYPE OF TEST :
LDLo - Lowest published lethal dose
ROUTE OF EXPOSURE :
Subcutaneous
SPECIES OBSERVED :
Rodent - rabbit
DOSE/DURATION :
1 gm/kg
TOXIC EFFECTS :
Details of toxic effects not reported other than lethal dose value
REFERENCE :
85IXA4 "Structure et Activite Pharmacodyanmique des Medicaments du Systeme Nerveux Vegetatif," Bovet, D., and F. Bovet-Nitti, New York, S. Karger, 1948 Volume(issue)/page/year: -,695,1948
TYPE OF TEST :
LDLo - Lowest published lethal dose
ROUTE OF EXPOSURE :
Parenteral
SPECIES OBSERVED :
Amphibian - frog
DOSE/DURATION :
1 gm/kg
TOXIC EFFECTS :
Details of toxic effects not reported other than lethal dose value
REFERENCE :
85IXA4 "Structure et Activite Pharmacodyanmique des Medicaments du Systeme Nerveux Vegetatif," Bovet, D., and F. Bovet-Nitti, New York, S. Karger, 1948 Volume(issue)/page/year: -,695,1948 *** NIOSH STANDARDS DEVELOPMENT AND SURVEILLANCE DATA *** NIOSH OCCUPATIONAL EXPOSURE SURVEY DATA : NOHS - National Occupational Hazard Survey (1974) NOHS Hazard Code - T0820 No. of Facilities: 33 (estimated) No. of Industries: 1 No. of Occupations: 4 No. of Employees: 28314 (estimated) NOES - National Occupational Exposure Survey (1983) NOES Hazard Code - T0820 No. of Facilities: 432 (estimated) No. of Industries: 8 No. of Occupations: 11 No. of Employees: 2319 (estimated) No. of Female Employees: 316 (estimated)
毒理学数据:

1、急性毒性:大鼠经口LD50:360mg/kg;兔子经皮LD50:180mg/kg

2、毒性比喹啉强,且有杀菌性。动物试验证明对肝脏有损害。

生态数据:

对水有轻微的危害。

MSDS 展开↓

  1.1 产品标识符
    : 异喹啉
    产品名称
  1.2 鉴别的其他方法
    无数据资料
  1.3 有关的确定了的物质或混合物的用途和建议不适合的用途
    仅供科研用途,不作为药物、家庭备用药或其它用途。

模块 2. 危险性概述
  2.1 GHS分类
    急性毒性, 经口 (类别4)
    急性毒性, 经皮 (类别2)
    皮肤刺激 (类别2)
    急性水生毒性 (类别3)
  2.2 GHS 标记要素,包括预防性的陈述
    象形图
    警示词        危险    
    危险申明
    H302        吞咽有害。    
    H310        皮肤接触致命。    
    H315        造成皮肤刺激。    
    H402        对水生生物有害。    
    警告申明
    预防
    P262        严防进入眼中、接触皮肤或衣服。    
    P264        操作后彻底清洁皮肤。    
    P270        使用本产品时不要进食、饮水或吸烟。    
    P273        避免释放到环境中。    
    P280        穿戴防护手套/ 防护服。    
    措施
    P301 + P312        如果吞下去了: 如感觉不适,呼救解毒中心或看医生。    
    P302 + P350        如果在皮肤上: 仔细地用大量肥皂和水洗。    
    P310        立即呼叫中毒控制中心或医生.    
    P322        具体措施(见本标签上提供的急救指导)。    
    P330        漱口。    
    P332 + P313        如发生皮肤刺激:求医/ 就诊。    
    P361        立即去除/脱掉所有沾染的衣服。    
    储存
    P405        存放处须加锁。    
    处理
    P501        将内容物/ 容器处理到得到批准的废物处理厂。    
  2.3 其它危害物 - 无

模块 3. 成分/组成信息
  3.1 物 质
    : C9H7N
    分子式
    : 129.16 g/mol
    分子量
    组分        浓度或浓度范围    
    Isoquinoline
    -
    CAS 号        119-65-3    
    EC-编号        204-341-8    

模块 4. 急救措施
  4.1 必要的急救措施描述
    一般的建议
    请教医生。 出示此安全技术说明书给到现场的医生看。
    吸入
    如果吸入,请将患者移到新鲜空气处。 如果停止了呼吸,给于人工呼吸。 请教医生。
    皮肤接触
    用肥皂和大量的水冲洗。 立即将患者送往医院。 请教医生。
    眼睛接触
    用水冲洗眼睛作为预防措施。
    食入
    切勿给失去知觉者从嘴里喂食任何东西。 用水漱口。 请教医生。
  4.2 主要症状和影响,急性和迟发效应
  4.3 及时的医疗处理和所需的特殊处理的说明和指示
    无数据资料

模块 5. 消防措施
  5.1 灭火介质
    灭火方法及灭火剂
    用水雾,耐醇泡沫,干粉或二氧化碳灭火。
  5.2 源于此物质或混合物的特别的危害
    碳氧化物, 氮氧化物
  5.3 给消防员的建议
    如必要的话,戴自给式呼吸器去救火。
  5.4 进一步信息
    无数据资料

模块 6. 泄露应急处理
  6.1 人员的预防,防护设备和紧急处理程序
    戴呼吸罩。 防止粉尘的生成。 防止吸入蒸汽、气雾或气体。 保证充分的通风。 将人员撤离到安全区域。
    避免吸入粉尘。
  6.2 环境保护措施
    在确保安全的前提下,采取措施防止进一步的泄漏或溢出。 不要让产物进入下水道。
    防止排放到周围环境中。
  6.3 抑制和清除溢出物的方法和材料
    收集、处理泄漏物,不要产生灰尘。 扫掉和铲掉。 存放进适当的闭口容器中待处理。
  6.4 参考其他部分
    丢弃处理请参阅第13节。

模块 7. 操作处置与储存
  7.1 安全操作的注意事项
    避免接触皮肤和眼睛。 防止粉尘和气溶胶生成。
    在有粉尘生成的地方,提供合适的排风设备。一般性的防火保护措施。
  7.2 安全储存的条件,包括任何不兼容性
    贮存在阴凉处。 容器保持紧闭,储存在干燥通风处。
  7.3 特定用途
    无数据资料

模块 8. 接触控制和个体防护
  8.1 容许浓度
    最高容许浓度
    没有已知的国家规定的暴露极限。
  8.2 暴露控制
    适当的技术控制
    避免与皮肤、眼睛和衣服接触。 休息以前和操作过此产品之后立即洗手。
    个体防护设备
    眼/面保护
    面罩與安全眼鏡请使用经官方标准如NIOSH (美国) 或 EN 166(欧盟) 检测与批准的设备防护眼部。
    皮肤保护
    戴手套取 手套在使用前必须受检查。
    请使用合适的方法脱除手套(不要接触手套外部表面),避免任何皮肤部位接触此产品.
    使用后请将被污染过的手套根据相关法律法规和有效的实验室规章程序谨慎处理. 请清洗并吹干双手
    所选择的保护手套必须符合EU的89/686/EEC规定和从它衍生出来的EN 376标准。
    身体保护
    全套防化学试剂工作服, 防护设备的类型必须根据特定工作场所中的危险物的浓度和含量来选择。
    呼吸系统防护
    如危险性评测显示需要使用空气净化的防毒面具,请使用全面罩式多功能微粒防毒面具N100型(US
    )或P3型(EN
    143)防毒面具筒作为工程控制的候补。如果防毒面具是保护的唯一方式,则使用全面罩式送风防毒
    面具。 呼吸器使用经过测试并通过政府标准如NIOSH(US)或CEN(EU)的呼吸器和零件。

模块 9. 理化特性
  9.1 基本的理化特性的信息
    a) 外观与性状
    形状: 凝结成块或碎片
    颜色: 淡黄
    b) 气味
    无数据资料
    c) 气味阈值
    无数据资料
    d) pH值
    无数据资料
    e) 熔点/凝固点
    熔点/凝固点: 26 - 28 °C - lit.
    f) 起始沸点和沸程
    242 - 243 °C - lit.
    g) 闪点
    102 °C - 闭杯
    h) 蒸发速率
    无数据资料
    i) 易燃性(固体,气体)
    无数据资料
    j) 高的/低的燃烧性或爆炸性限度 无数据资料
    k) 蒸汽压
    无数据资料
    l) 蒸汽密度
    无数据资料
    m) 相对密度
    1.099 g/mL 在 25 °C
    n) 水溶性
    无数据资料
    o) n-辛醇/水分配系数
    无数据资料
    p) 自燃温度
    无数据资料
    q) 分解温度
    无数据资料
    r) 粘度
    无数据资料

模块 10. 稳定性和反应活性
  10.1 反应性
    无数据资料
  10.2 稳定性
    无数据资料
  10.3 危险反应的可能性
    无数据资料
  10.4 应避免的条件
    无数据资料
  10.5 不兼容的材料
    强氧化剂, 强酸
  10.6 危险的分解产物
    其它分解产物 - 无数据资料

模块 11. 毒理学资料
  11.1 毒理学影响的信息
    急性毒性
    半数致死剂量 (LD50) 经口 - 大鼠 - 615 mg/kg
    半数致死剂量 (LD50) 经皮 - 大鼠 - 180 mg/kg
    皮肤刺激或腐蚀
    皮肤 - 兔子 - 皮肤刺激 - 24 h
    眼睛刺激或腐蚀
    无数据资料
    呼吸道或皮肤过敏
    无数据资料
    生殖细胞突变性
    细胞突变性-体外试验 - 可疑迹象
    组氨酸逆转(Ames)
    致癌性
    IARC:
    此产品中没有大于或等于 0。1%含量的组分被 IARC鉴别为可能的或肯定的人类致癌物。
    生殖毒性
    无数据资料
    特异性靶器官系统毒性(一次接触)
    无数据资料
    特异性靶器官系统毒性(反复接触)
    无数据资料
    吸入危险
    无数据资料
    潜在的健康影响
    吸入        吸入可能有害。 引起呼吸道刺激。    
    摄入        误吞对人体有害。    
    皮肤        如果通过皮肤被吸收了可能会致死。 造成皮肤刺激。    
    附加说明
    化学物质毒性作用登记: NW6825000

模块 12. 生态学资料
  12.1 生态毒性
    对鱼类的毒性        半数致死浓度(LC50) - Poecilia reticulata (红鳉) - 14 mg/l - 96 h    
    对水蚤和其他水生无脊        半数致死浓度(LC50) - Daphnia magna (大型蚤) - 25.1 mg/l - 48 h    
    椎动物的毒性
    半致死有效浓度(EC50) - 红虫 - 1 mg/l - 24 h
    对藻类的毒性        生长抑制 百分之百致死有效浓度 - Scenedesmus acuminatus - > 10 mg/l - 72 h    
  12.2 持久存留性和降解性
    无数据资料
  12.3 潜在的生物蓄积性
    无数据资料
  12.4 土壤中的迁移性
    无数据资料
  12.5 PBT 和 vPvB的结果评价
    无数据资料
  12.6 其它不利的影响
    对水生生物有害。
    无数据资料

模块 13. 废弃处置
  13.1 废物处理方法
    产品
    将剩余的和未回收的溶液交给处理公司。 联系专业的拥有废弃物处理执照的机构来处理此物质。
    与易燃溶剂相溶或者相混合,在备有燃烧后处理和洗刷作用的化学焚化炉中燃烧
    受污染的容器和包装
    作为未用过的产品弃置。

模块 14. 运输信息
  14.1 联合国危险货物编号
    欧洲陆运危规: 2811        国际海运危规: 2811        国际空运危规: 2811    
  14.2 联合国(UN)规定的名称
    欧洲陆运危规: TOXIC SOLID, ORGANIC, N.O.S. (Isoquinoline)
    国际海运危规: TOXIC SOLID, ORGANIC, N.O.S. (Isoquinoline)
    国际空运危规: Toxic solid, organic, n.o.s. (Isoquinoline)
  14.3 运输危险类别
    欧洲陆运危规: 6.1        国际海运危规: 6.1        国际空运危规: 6.1    
  14.4 包裹组
    欧洲陆运危规: III        国际海运危规: III        国际空运危规: III    
  14.5 环境危险
    欧洲陆运危规: 否        国际海运危规 海运污染物: 否        国际空运危规: 否    
  14.6 对使用者的特别提醒
    无数据资料
    参见发票或包装条的反面。


模块 15 - 法规信息
N/A


模块16 - 其他信息
N/A

海关数据查看详细

中国海关编码:2933499090

概述:
2933499090. 其他含喹琳或异喹啉环系的化合物〔但未进一步稠合的〕. 增值税率:17.0%. 退税率:13.0%. 监管条件:无. 最惠国关税:6.5%. 普通关税:20.0%
申报要素:
品名, 成分含量, 用途, 乌洛托品请注明外观, 6-己内酰胺请注明外观, 签约日期
摘要/Summary:
2933499090. other compounds containing in the structure a quinoline or isoquinoline ring-system (whether or not hydrogenated), not further fused. VAT:17.0%. Tax rebate rate:13.0%. . MFN tariff:6.5%. General tariff:20.0%

分子结构与计算化学数据展开↓

分子结构数据


1、   摩尔折射率:42.18

2、   摩尔体积(cm3/mol):116.7

3、   等张比容(90.2K):305.2

4、   表面张力(dyne/cm):46.6

5、   极化率(10-24cm3):16.72

计算化学数据


1.疏水参数计算参考值(XlogP):无

2.氢键供体数量:0

3.氢键受体数量:1

4.可旋转化学键数量:0

5.互变异构体数量:无

6.拓扑分子极性表面积12.9

7.重原子数量:10

8.表面电荷:0

9.复杂度:111

10.同位素原子数量:0

11.确定原子立构中心数量:0

12.不确定原子立构中心数量:0

13.确定化学键立构中心数量:0

14.不确定化学键立构中心数量:0

15.共价键单元数量:1

上下游相关产品

上游产品

更多
  • 91-21-4

    1,2,3,4-四氢异喹啉

  • 1532-72-5

    异喹啉-N-氧化物

  • 486-73-7

    异喹啉羧酸

  • 1532-97-4

    4-溴异喹啉

  • 98-80-6

    苯硼酸

下游产品

更多
  • 111876-50-7

    4-naphthalen-2-ylpyridine

  • 3878-69-1

    1-methyl-2-(1-methylbenzimidazol-2-yl)benzimidazole

  • 85510-65-2

    1-methyl-2-(1-methyl-3-benzoyl-1,2-dihydro-2-benzimidazolyl)benzimidazole

  • 106011-94-3

    [1-(1-methylbenzimidazol-2-yl)-1H-isoquinolin-2-yl]-phenylmethanone

  • 134-81-6

    联苯甲酰

立即下载安装“化学加”APP
专业、功能强大,随时调用更加方便