吲哚-2-羧酸乙酯

吲哚-2-羧酸乙酯 基本信息
CAS号 3770-50-1 分子式 C11H11NO2
分子量 189.21100 精确质量  189.07900
PSA  42.09000 LogP  2.34460

基本信息 展开↓

CAS号:
3770-50-1
3D弹球模型:
立即前往扯扯看
分子式:
C11H11NO2
分子量:
189.21100
中文名称:
吲哚-2-羧酸乙酯
英文名称:
Ethyl indole-2-carboxylate
中文别名:
吲哚-2-羧酸乙酯;
吲哚-2-甲酸乙酯
英文别名:
Ethyl indole-2-carboxylate;
1H-indole-2-carboxylic acid ethyl ester;
2-Ethoxycarbonylindole;
Ethyl Indole-2-Carboxylate;
1H-2-indolecarbonyl chloride;
Indole-2-carboxylic Acid Ethyl Ester;
2-ethoxycarbonylindole;
indol-2-ylcarbonyl chloride;
2-indole-carbonyl chloride;
indolecarboxylic acid chloride;
indole-2-carboxylic acid chloride;
ethyl 1H-indole-2-carboxylate;
indole-2-carboxylic acid ethyl ester;
ethyl 2-indolecarboxylate
精确分子量/精确质量:
189.07900
极性分子表面积/PSA:
42.09000
油水分配系数/LogP:

LogP值指的是某物质在正辛醇/水两相体系中的分配系数的对数值,反映了物质在油水两相中的分配情况。其中、LogP值越大,说明该物质越亲油;反之,LogP值越小,则说明该物质越亲水。
贝尔斯坦号/MDL:
MFCD00005609
EINECS:
223-206-4
PubChem:
24894504
BRN:
146395
InChI:
InChI=1/C11H11NO2/c1-2-14-11(13)10-7-8-5-3-4-6-9(8)12-10/h3-7,12H,2H2,1H3

生产制备方法及用途展开↓

制备方法


医药中间体

用途简介


用途


医药中间体

物化性质展开↓

外观与性状:
略灰白色至灰白色结晶粉末
密度:
1.21 g/cm3
熔点:
122-125 °C(lit.)
沸点:
342.4ºC at 760 mmHg
闪点:
160.9ºC
折射率:
1.62
存储条件/存储方法:

常温,避光,通风干燥处,密封保存

稳定性相关:

常温常压下稳定,白色固体

安全信息展开↓

海关代码:
29339990
WGK_Germany:
3
德国有关水污染物质的分类清单
安全说明:
S24/25
安全标志:
S24/25:防止皮肤和眼睛接触。

合成路线查看所有的合成路线

  • 1477-50-5

    2-吲哚甲酸

  • +

  • 64-17-5

    乙醇

  • ~98%

  • 3770-50-1

    吲哚-2-羧酸乙酯

  • 1464963-64-1

    1464963-64-1

  • ~96%

  • 3770-50-1

    吲哚-2-羧酸乙酯

  • 2999-46-4

    异氰基乙酸乙酯

  • +

  • 6630-33-7

    邻溴苯甲醛

  • ~93%

  • 3770-50-1

    吲哚-2-羧酸乙酯

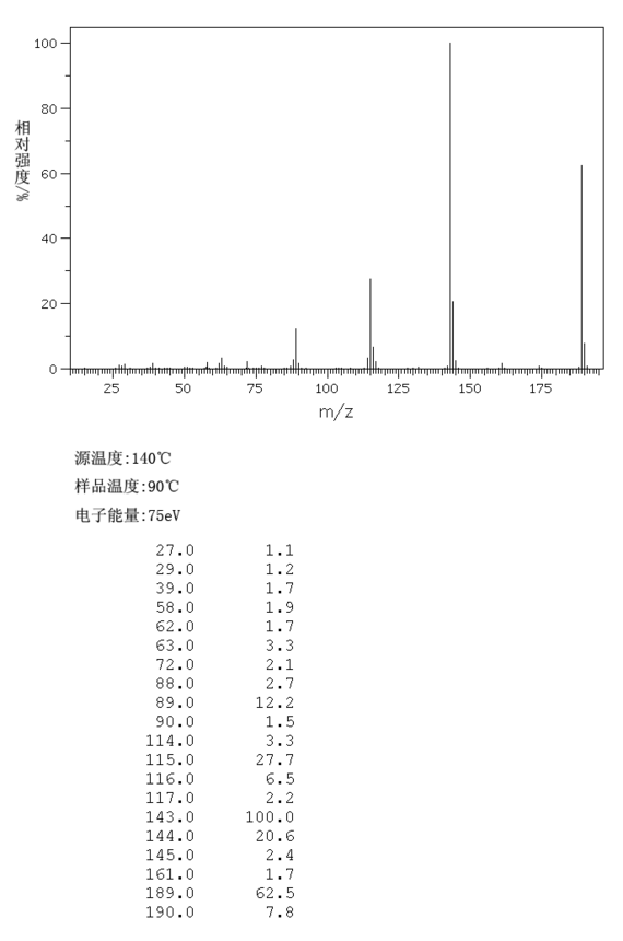
化学图谱

  1. 吲哚-2-羧酸乙酯红外图谱(IR1)

  2. 吲哚-2-羧酸乙酯红外图谱(IR2)

  3. 吲哚-2-羧酸乙酯质谱(MS)

上一页 1/4 下一页

毒理性展开↓

生态数据:

通常对水是不危害的,若无政府许可,勿将材料排入周围环境

MSDS 展开↓

  吲哚-2-甲酸乙酯      修改号码:5    

模块 1. 化学品
    产品名称:      Ethyl Indole-2-carboxylate    
    修改号码:      5    

模块 2. 危险性概述
  GHS分类
     物理性危害        未分类    
     健康危害
  皮肤腐蚀/刺激      第2级    
  严重损伤/刺激眼睛      2A类    
     环境危害        未分类    
  GHS标签元素
     图标或危害标志
     信号词        警告    
     危险描述        造成皮肤刺激    
    造成严重眼刺激
     防范说明
  [预防]        处理后要彻底清洗双手。    
  穿戴防护手套/护目镜/防护面具。
  [急救措施]        眼睛接触:用水小心清洗几分钟。如果方便,易操作,摘除隐形眼镜。继续冲洗。    
  眼睛接触:求医/就诊
    皮肤接触:用大量肥皂和水轻轻洗。
  若皮肤刺激:求医/就诊。
    脱掉被污染的衣物,清洗后方可重新使用。

模块 3. 成分/组成信息
  单一物质/混和物        单一物质    
  化学名(中文名):      吲哚-2-甲酸乙酯    
    百分比:      >98.0%(GC)    
  CAS编码:      3770-50-1    
    俗名:      Indole-2-carboxylic Acid Ethyl Ester    
  吲哚-2-甲酸乙酯      修改号码:5    

模块 3. 成分/组成信息
    分子式:      C11H11NO2    

模块 4. 急救措施
    吸入:      将受害者移到新鲜空气处,保持呼吸通畅,休息。若感不适请求医/就诊。    
    皮肤接触:      立即去除/脱掉所有被污染的衣物。用大量肥皂和水轻轻洗。    
  若皮肤刺激或发生皮疹:求医/就诊。
    眼睛接触:        用水小心清洗几分钟。如果方便,易操作,摘除隐形眼镜。继续清洗。    
  如果眼睛刺激:求医/就诊。
    食入:      若感不适,求医/就诊。漱口。    
    紧急救助者的防护:        救援者需要穿戴个人防护用品,比如橡胶手套和气密性护目镜。    

模块 5. 消防措施
    合适的灭火剂:        干粉,泡沫,雾状水,二氧化碳    
    特殊危险性:        小心,燃烧或高温下可能分解产生毒烟。    
    特定方法:        从上风处灭火,根据周围环境选择合适的灭火方法。    
    非相关人员应该撤离至安全地方。
    周围一旦着火:如果安全,移去可移动容器。
    消防员的特殊防护用具:        灭火时,一定要穿戴个人防护用品。    

模块 6. 泄漏应急处理
    个人防护措施,防护用具,      使用个人防护用品。远离溢出物/泄露处并处在上风处。    
    紧急措施:        泄露区应该用安全带等圈起来,控制非相关人员进入。    
    环保措施:        防止进入下水道。    
    控制和清洗的方法和材料:        清扫收集粉尘,封入密闭容器。注意切勿分散。附着物或收集物应该立即根据合适的    
    法律法规处置。

模块 7. 操作处置与储存
    处理
    技术措施:        在通风良好处进行处理。穿戴合适的防护用具。防止粉尘扩散。处理后彻底清洗双手    
    和脸。
    注意事项:        如果粉尘或浮质产生,使用局部排气。    
    操作处置注意事项:        避免接触皮肤、眼睛和衣物。    
    贮存
    储存条件:        保持容器密闭。存放于凉爽、阴暗处。    
    远离不相容的材料比如氧化剂存放。
    包装材料:        依据法律。    

模块 8. 接触控制和个体防护
    工程控制:        尽可能安装封闭体系或局部排风系统,操作人员切勿直接接触。同时安装淋浴器和洗    
    眼器。
    个人防护用品
     呼吸系统防护:        防尘面具。依据当地和政府法规。    
     手部防护:        防护手套。    
     眼睛防护:        安全防护镜。如果情况需要,佩戴面具。    
     皮肤和身体防护:        防护服。如果情况需要,穿戴防护靴。    

模块 9. 理化特性
  外形(20°C):        固体    
    外观:      晶体-粉末    
  吲哚-2-甲酸乙酯      修改号码:5    

模块 9. 理化特性
    颜色:      白色-浅黄色    
    气味:        无资料    
  pH:        无数据资料    
    熔点:
  122°C
  沸点/沸程        无资料    
    闪点:        无资料    
    爆炸特性
     爆炸下限:        无资料    
     爆炸上限:        无资料    
    密度:        无资料    
    溶解度:
  [水]        无资料    
  [其他溶剂]        无资料    

模块 10. 稳定性和反应性
    化学稳定性:        一般情况下稳定。    
    危险反应的可能性:        未报道特殊反应性。    
    须避免接触的物质        氧化剂    
  危险的分解产物:      一氧化碳, 二氧化碳, 氮氧化物 (NOx)    

模块 11. 毒理学信息
    急性毒性:        无资料    
    对皮肤腐蚀或刺激:        无资料    
    对眼睛严重损害或刺激:        无资料    
    生殖细胞变异原性:        无资料    
    致癌性:
  IARC =        无资料    
  NTP =        无资料    
    生殖毒性:        无资料    

模块 12. 生态学信息
    生态毒性:
    鱼类:        无资料    
    甲壳类:        无资料    
    藻类:        无资料    
  残留性 / 降解性:        无资料    
  潜在生物累积 (BCF):        无资料    
    土壤中移动性
   log水分配系数:        无资料    
   土壤吸收系数 (Koc):        无资料    
     亨利定律        无资料    
  constant(PaM3/mol):

模块 13. 废弃处置
    如果可能,回收处理。请咨询当地管理部门。建议在可燃溶剂中溶解混合,在装有后燃和洗涤装置的化学焚烧炉中
    焚烧。废弃处置时请遵守国家、地区和当地的所有法规。

模块 14. 运输信息
    联合国分类:        与联合国分类标准不一致    
  吲哚-2-甲酸乙酯      修改号码:5    

模块 14. 运输信息
  UN编号:        未列明    

模块 15. 法规信息
  《危险化学品安全管理条例》(2002年1月26日国务院发布,2011年2月16日修订): 针对危险化学品的安全使用、
    生产、储存、运输、装卸等方面均作了相应的规定。


模块16 - 其他信息
N/A

分子结构与计算化学数据展开↓

分子结构数据


 

计算化学数据


1.疏水参数计算参考值(XlogP):无

2.氢键供体数量:1

3.氢键受体数量:2

4.可旋转化学键数量:3

5.互变异构体数量:6

6.拓扑分子极性表面积42.1

7.重原子数量:14

8.表面电荷:0

9.复杂度:217

10.同位素原子数量:0

11.确定原子立构中心数量:0

12.不确定原子立构中心数量:0

13.确定化学键立构中心数量:0

14.不确定化学键立构中心数量:0

15.共价键单元数量:1

上下游相关产品

上游产品

更多
  • 1464963-64-1

    ethyl 2-acetyl-1-tosylindoline-2-carboxylate

  • 1477-50-5

    2-吲哚甲酸

  • 64-17-5

    乙醇

  • 24512-96-7

    (Z)-ethyl α-azido-β-phenylacrylate

  • 2437-05-0

    2 - 硝基苯丙烯酸乙酯

下游产品

更多
  • 105399-10-8

    3-acetyl-1H-indole-2-carboxylic acid

  • 106184-17-2

    ethyl 3-phenylsulfanyl-1H-indole-2-carboxylate

  • 5055-39-0

    1H-吲哚-2-羧酸肼

  • 1485-22-9

    (1-甲基-1H-吲哚-2-基)-甲醇

  • 148900-64-5

    3-phenylsulfanyl-1H-indole-2-carboxamide

立即下载安装“化学加”APP
专业、功能强大,随时调用更加方便