2-(4-联苯基)-5-苯基唑

2-(4-联苯基)-5-苯基唑 基本信息
CAS号 852-37-9 分子式 C21H15NO
分子量 297.35000 精确质量  297.11500
PSA  26.03000 LogP  5.67560

基本信息 展开↓

CAS号:
852-37-9
3D弹球模型:
立即前往扯扯看
分子式:
C21H15NO
分子量:
297.35000
中文名称:
2-(4-联苯基)-5-苯基唑
英文名称:
5-phenyl-2-(4-phenylphenyl)-1,3-oxazole
中文别名:
2-(4-联苯基)-5-苯基唑;
2-(4-联苯)-5-苯基噁唑;
2-(4-联苯基)-5-苯基噁唑
英文别名:
5-phenyl-2-(4-phenylphenyl)-1,3-oxazole;
2-(4-biphenyl)-5-phenyloxazole;
2-phenyl-5-(4-biphenyl)oxazole;
2-biphenylyl-5-phenyloxazole;
2-(biphenyl-4-yl)-5-phenyl-1,3-oxazole;
2-(2-CHLORO-ACETYLAMINO)-5-ISOPROPYL-THIOPHENE-3-CARBOXYLIC ACID ETHYL ESTER;
2-(4-biphenylyl)-5-phenyl-oxazole;
2-(biphenyl-4-yl)-5-phenyloxazole
精确分子量/精确质量:
297.11500
极性分子表面积/PSA:
26.03000
油水分配系数/LogP:

LogP值指的是某物质在正辛醇/水两相体系中的分配系数的对数值,反映了物质在油水两相中的分配情况。其中、LogP值越大,说明该物质越亲油;反之,LogP值越小,则说明该物质越亲水。
贝尔斯坦号/MDL:
MFCD00005304
EINECS:
212-711-5
PubChem:
24852986
InChI:
The Key: RQGVWYIZAUHBBE-UHFFFAOYSA-N

生产制备方法及用途展开↓

制备方法


闪烁计数中的闪烁剂。

用途简介


用途


 闪烁计数中的闪烁剂。

物化性质展开↓

密度:
1.137g/cm3
熔点:
115-119ºC(lit.)
沸点:
487.1ºC at 760 mmHg
闪点:
209.7ºC
折射率:
1.608
存储条件/存储方法:

        

稳定性相关:

常温常压下稳定   白色结晶。溶于苯、甲苯、乙醇和1-甲基萘。沸点115116。最大荧光波长400nm

       

其它信息:

1.       性状:白色结晶

2.       密度(g/mL,25/4):未确定

3.       相对蒸汽密度(g/mL,空气=1):未确定

4.       熔点(ºC):115-119

5.       沸点(ºC,常压):未确定

6.       沸点(ºC,5.2kPa):未确定

7.       折射率:未确定

8.       闪点(ºC):  未确定

9.       比旋光度(º): 未确定

10.    自燃点或引燃温度(ºC):未确定

11.    蒸气压(kPa,25ºC):未确定

12.    饱和蒸气压(kPa,60ºC):未确定

13.    燃烧热(KJ/mol):未确定

14.    临界温度(ºC):未确定

15.    临界压力(KPa):未确定

16.    油水(辛醇/水)分配系数的对数值:未确定

17.    爆炸上限(%,V/V):未确定

18.    爆炸下限(%,V/V):未确定

19.    溶解性:不溶于水

安全信息展开↓

海关代码:
2934999090
危险类别码:
25-36
安全说明:
26-45
安全标志:
S26:万一接触眼睛,立即使用大量清水冲洗并送医诊治。
S45:出现意外或者感到不适,立刻到医生那里寻求帮助(最好带去产品容器标签)。

合成路线查看所有的合成路线

  • 37061-74-8

    N-(2-oxo-2-phenylethyl)-4-phenylbenzamide

  • 852-37-9

    2-(4-联苯基)-5-苯基唑

化学图谱

  1. 2-(4-联苯基)-5-苯基唑红外图谱(IR1)

  2. 2-(4-联苯基)-5-苯基唑红外图谱(IR2)

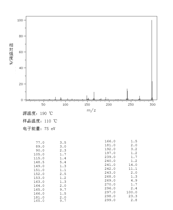
  3. 2-(4-联苯基)-5-苯基唑质谱(MS)

  4. 2-(4-联苯基)-5-苯基唑核磁图(13CNMR)

上一页 1/4 下一页

毒理性展开↓

生态数据:

通常对水是不危害的,若无政府许可,勿将材料排入周围环境

海关数据查看详细

中国海关编码:2934999090

概述:
2934999090. 其他杂环化合物. 增值税率:17.0%. 退税率:13.0%. 监管条件:无. 最惠国关税:6.5%. 普通关税:20.0%
申报要素:
品名, 成分含量, 用途
摘要/Summary:
2934999090. other heterocyclic compounds. VAT:17.0%. Tax rebate rate:13.0%. . MFN tariff:6.5%. General tariff:20.0%

分子结构与计算化学数据展开↓

计算化学数据


1.疏水参数计算参考值(XlogP):无

2.氢键供体数量:0

3.氢键受体数量:2

4.可旋转化学键数量:3

5.互变异构体数量:无

6.拓扑分子极性表面积26

7.重原子数量:23

8.表面电荷:0

9.复杂度:351

10.同位素原子数量:0

11.确定原子立构中心数量:0

12.不确定原子立构中心数量:0

13.确定化学键立构中心数量:0

14.不确定化学键立构中心数量:0

15.共价键单元数量:1

上下游相关产品

上游产品

更多
  • 37061-74-8

    N-(2-oxo-2-phenylethyl)-4-phenylbenzamide

立即下载安装“化学加”APP
专业、功能强大,随时调用更加方便