2,4-二甲基-2-戊醇

2,4-二甲基-2-戊醇 基本信息
CAS号 625-06-9 分子式 C7H16O
分子量 116.20100 精确质量  116.12000
PSA  20.23000 LogP  1.80340

基本信息 展开↓

CAS号:
625-06-9
3D弹球模型:
立即前往扯扯看
分子式:
C7H16O
分子量:
116.20100
中文名称:
2,4-二甲基-2-戊醇
英文名称:
2,4-dimethylpentan-2-ol
中文别名:
2,4-二甲基-2-戊醇;
二甲基异丁基甲醇;
2,4-二甲-2-戊醇
英文别名:
2,4-dimethylpentan-2-ol;
Dimethyl-isobutyl-carbinol;
2-Pentanol,2,4-dimethyl;
2,4-dimethyl-pentan-2-ol;
2-Pentanol,4-dimethyl;
Isobutyl-dimethyl-carbinol;
2,4-dimethyl-2-pentanol;
2,4-dimethylpenta-2-ol
精确分子量/精确质量:
116.12000
极性分子表面积/PSA:
20.23000
油水分配系数/LogP:

LogP值指的是某物质在正辛醇/水两相体系中的分配系数的对数值,反映了物质在油水两相中的分配情况。其中、LogP值越大,说明该物质越亲油;反之,LogP值越小,则说明该物质越亲水。
贝尔斯坦号/MDL:
MFCD00021811
EINECS:
210-877-3
BRN:
1731623
InChI:
InChI=1/C7H16O/c1-6(2)5-7(3,4)8/h6,8H,5H2,1-4H3

物化性质展开↓

密度:
0.818g/cm3
沸点:
132-134ºC
闪点:
38ºC
折射率:
1.417
存储条件/存储方法:

存放在密封容器内,并放在阴凉,干燥处。储存的地方必须远离氧化剂。

稳定性相关:

远离氧化物。

其它信息:

1.       性状:无色液体。

2.       密度(g/mL,25/4℃):0.808

3.      相对密度(20℃,4℃):0.812

4.       常温折射率(n25):1.415

5.       沸点(ºC,常压):133

6.       常温折射率(n20):1.417 

7.       折射率:1.4170

8.       闪点(ºC):32

9.       比旋光度(º):未确定

10.    自燃点或引燃温度(ºC):未确定

11.    蒸气压(kPa,25ºC):未确定

12.    饱和蒸气压(kPa,60ºC):未确定

13.    燃烧热(KJ/mol):未确定

14.    临界温度(ºC):未确定

15.    临界压力(KPa):未确定

16.    油水(辛醇/水)分配系数的对数值:未确定

17.    爆炸上限(%,V/V):未确定

18.    爆炸下限(%,V/V):未确定

19.    溶解性:未确定。

安全信息展开↓

包装等级:
III
海关代码:
2905199090
危险类别码:
R10
安全说明:
S23-S24/25
安全标志:
S23:不要吸入蒸汽。
S24/25:防止皮肤和眼睛接触。

合成路线查看所有的合成路线

  • 917-64-6

    magnesium,carbanide,iodide

  • +

  • 108-10-1

    4-甲基-2-戊酮

  • ~21%

  • 24892-49-7

    2,4-二甲基-2,4-戊二醇

  • +

  • 625-06-9

    2,4-二甲基-2-戊醇

  • 123-42-2

    4-羟基-4-甲基-2-戊酮

  • +

  • 95673-88-4

    95673-88-4

  • 24892-49-7

    2,4-二甲基-2,4-戊二醇

  • +

  • 625-06-9

    2,4-二甲基-2-戊醇

  • 68573-19-3

    68573-19-3

  • +

  • 7732-18-5

  • 625-06-9

    2,4-二甲基-2-戊醇

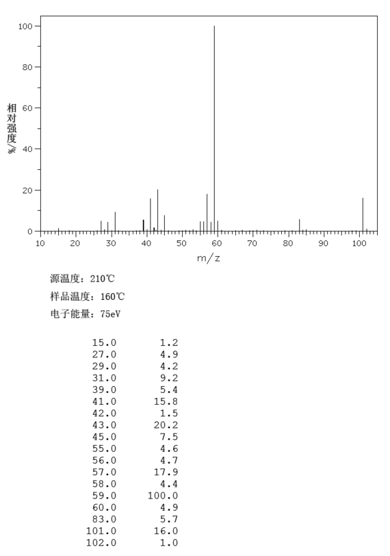
化学图谱

  1. 2,4-二甲基-2-戊醇质谱(MS)

  2. 2,4-二甲基-2-戊醇核磁图(13CNMR)

  3. 2,4-二甲基-2-戊醇核磁图(1HNMR)

  4. 2,4-二甲基-2-戊醇红外图谱(IR1)

上一页 1/4 下一页

毒理性展开↓

生态数据:

对水稍微有危害的,不要让未者大量产品接触地下水,水道或者污水系统。若无政府许可,勿将材料排入周围环境。

海关数据查看详细

中国海关编码:2905199090

概述:
2905199090. 其他饱和一元醇. 增值税率:17.0%. 退税率:13.0%. 监管条件:无. 最惠国关税:5.5%. 普通关税:30.0%
申报要素:
品名, 成分含量, 用途, 包装
摘要/Summary:
2905199090. saturated monohydric alcohols. VAT:17.0%. Tax rebate rate:13.0%. . MFN tariff:5.5%. General tariff:30.0%

分子结构与计算化学数据展开↓

分子结构数据


1、   摩尔折射率:35.93

2、   摩尔体积(cm3/mol):142.0

3、   等张比容(90.2K):319.8

4、   表面张力(dyne/cm):25.7

5、   极化率(10-24cm3):14.24

计算化学数据


1.疏水参数计算参考值(XlogP):1.8

2.氢键供体数量:1

3.氢键受体数量:1

4.可旋转化学键数量:2

5.互变异构体数量:无

6.拓扑分子极性表面积20.2

7.重原子数量:8

8.表面电荷:0

9.复杂度:64.8

10.同位素原子数量:0

11.确定原子立构中心数量:0

12.不确定原子立构中心数量:0

13.确定化学键立构中心数量:0

14.不确定化学键立构中心数量:0

15.共价键单元数量:1

上下游相关产品

上游产品

更多
  • 67-64-1

    丙酮

  • 513-36-0

    氯代异丁烷

  • 78-77-3

    CAS号:78-77-3

  • 625-65-0

    2,4-二甲基-2-戊烯

  • 926-62-5

    异丁基溴化镁

下游产品

更多
  • 464-06-2

    2,2,3-三甲基丁烷

  • 19781-54-5

    2,4-二甲基-1-戊烯-3-醇

  • 625-65-0

    2,4-二甲基-2-戊烯

  • 2213-32-3

    2,4-二甲基-1-戊烯

  • 108-08-7

    2,4-二甲基戊烷

立即下载安装“化学加”APP
专业、功能强大,随时调用更加方便