4-苄氧基-3-甲氧基苯甲醇

4-苄氧基-3-甲氧基苯甲醇 基本信息
CAS号 33693-48-0 分子式 C15H16O3
分子量 244.28600 精确质量  244.11000
PSA  38.69000 LogP  2.76650

基本信息 展开↓

CAS号:
33693-48-0
3D弹球模型:
立即前往扯扯看
分子式:
C15H16O3
分子量:
244.28600
中文名称:
4-苄氧基-3-甲氧基苯甲醇
英文名称:
(3-methoxy-4-phenylmethoxyphenyl)methanol
中文别名:
4-苄氧基-3-甲氧基苯甲醇;
4-苄氧基-3-甲氧基苄醇
英文别名:
(3-methoxy-4-phenylmethoxyphenyl)methanol;
Vanillyl Alcohol Benzyl Ether;
(4-(benzyloxy)-3-methoxyphenyl)methanol;
O-Benzylvanillyl Alcohol;
4-Benzyloxy-3-methoxybenzyl alcohol;
3-methoxy-4-(phenylmethoxy)-benzenemethanol;
4-benzyloxy-3-methoxybenzyl alcohol;
3-Methoxy-4-benzyloxybenzyl Alcohol
精确分子量/精确质量:
244.11000
极性分子表面积/PSA:
38.69000
油水分配系数/LogP:

LogP值指的是某物质在正辛醇/水两相体系中的分配系数的对数值,反映了物质在油水两相中的分配情况。其中、LogP值越大,说明该物质越亲油;反之,LogP值越小,则说明该物质越亲水。
贝尔斯坦号/MDL:
MFCD00004640
EINECS:
251-638-3
PubChem:
24851364
InChI:
The Key: PDBXFVPMVYQICB-UHFFFAOYSA-N

物化性质展开↓

外观与性状:
白色结晶粉末
密度:
1.152g/cm3
熔点:
71-73ºC
沸点:
395.6ºC at 760mmHg
闪点:
193ºC
折射率:
1.58
存储条件/存储方法:

保持贮藏器密封、储存在阴凉、干燥的地方,确保工作间有良好的通风或排气装置

稳定性相关:

如果遵照规格使用和储存则不会分解,未有已知危险反应

其它信息:

1.        性状:白色晶体粉末

2.         密度(g/mL,20):未确定

3.         相对蒸汽密度(g/mL,空气=1):未确定

4.         熔点(ºC):71-73

5.         沸点(ºC,常压):未确定

6.         沸点(ºC,KPa):未确定

7.         折射率:未确定

8.         闪点(ºC):未确定

9.         比旋光度(º):未确定

10.      自燃点或引燃温度(ºC):未确定

11.      蒸气压(Pa,20ºC):未确定

12.      饱和蒸气压(KPa,20ºC):未确定

13.      燃烧热(KJ/mol):未确定

14.      临界温度(ºC):未确定

15.      临界压力(KPa):未确定

16.      油水(辛醇/水)分配系数的对数值:未确定

17.      爆炸上限(%,V/V):未确定

18.      爆炸下限(%,V/V):未确定

19.     溶解性:未确定

安全信息展开↓

海关代码:
2909499000
安全说明:
S24/25
安全标志:
S24/25:防止皮肤和眼睛接触。

合成路线查看所有的合成路线

  • 2426-87-1

    4-苄氧基-3-甲氧基苯甲醛

  • ~99%

  • 33693-48-0

    4-苄氧基-3-甲氧基苯甲醇

  • 498-00-0

    4-羟基-3-甲氧基苄醇

  • +

  • 100-39-0

    溴化苄

  • ~98%

  • 33693-48-0

    4-苄氧基-3-甲氧基苯甲醇

  • 2426-87-1

    4-苄氧基-3-甲氧基苯甲醛

  • ~44%

  • 33693-48-0

    4-苄氧基-3-甲氧基苯甲醇

  • +

  • 1486-53-9

    4-苄氧基-3-甲氧基苯甲酸

化学图谱

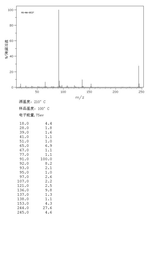
  1. 4-苄氧基-3-甲氧基苯甲醇质谱(MS)

上一页 1/4 下一页

MSDS 展开↓

  1.1 产品标识符
    : 4-苄氧基-3-甲氧基苯甲醇
    产品名称
  1.2 鉴别的其他方法
    无数据资料
  1.3 有关的确定了的物质或混合物的用途和建议不适合的用途
    仅供科研用途,不作为药物、家庭备用药或其它用途。

模块 2. 危险性概述
  2.1 GHS分类
    根据化学品全球统一分类与标签制度(GHS)的规定,不是危险物质或混合物。
  2.3 其它危害物 - 无

模块 3. 成分/组成信息
  3.1 物 质
    : C15H16O3
    分子式
    : 244.29 g/mol
    分子量
    无

模块 4. 急救措施
  4.1 必要的急救措施描述
    吸入
    如果吸入,请将患者移到新鲜空气处。 如果停止了呼吸,给于人工呼吸。
    皮肤接触
    用肥皂和大量的水冲洗。
    眼睛接触
    用水冲洗眼睛作为预防措施。
    食入
    切勿给失去知觉者从嘴里喂食任何东西。 用水漱口。
  4.2 主要症状和影响,急性和迟发效应
  4.3 及时的医疗处理和所需的特殊处理的说明和指示
    无数据资料

模块 5. 消防措施
  5.1 灭火介质
    灭火方法及灭火剂
    用水雾,耐醇泡沫,干粉或二氧化碳灭火。
  5.2 源于此物质或混合物的特别的危害
    碳氧化物
  5.3 给消防员的建议
    如必要的话,戴自给式呼吸器去救火。
  5.4 进一步信息
    无数据资料

模块 6. 泄露应急处理
  6.1 人员的预防,防护设备和紧急处理程序
    防止粉尘的生成。 防止吸入蒸汽、气雾或气体。
  6.2 环境保护措施
    不要让产物进入下水道。
  6.3 抑制和清除溢出物的方法和材料
    扫掉和铲掉。 存放进适当的闭口容器中待处理。
  6.4 参考其他部分
    丢弃处理请参阅第13节。

模块 7. 操作处置与储存
  7.1 安全操作的注意事项
    在有粉尘生成的地方,提供合适的排风设备。一般性的防火保护措施。
  7.2 安全储存的条件,包括任何不兼容性
    贮存在阴凉处。 容器保持紧闭,储存在干燥通风处。
  7.3 特定用途
    无数据资料

模块 8. 接触控制和个体防护
  8.1 容许浓度
    最高容许浓度
    没有已知的国家规定的暴露极限。
  8.2 暴露控制
    适当的技术控制
    常规的工业卫生操作。
    个体防护设备
    眼/面保护
    请使用经官方标准如NIOSH (美国) 或 EN 166(欧盟) 检测与批准的设备防护眼部。
    皮肤保护
    戴手套取 手套在使用前必须受检查。
    请使用合适的方法脱除手套(不要接触手套外部表面),避免任何皮肤部位接触此产品.
    使用后请将被污染过的手套根据相关法律法规和有效的实验室规章程序谨慎处理. 请清洗并吹干双手
    所选择的保护手套必须符合EU的89/686/EEC规定和从它衍生出来的EN 376标准。
    身体保护
    根据危险物质的类型,浓度和量,以及特定的工作场所来选择人体保护措施。,
    防护设备的类型必须根据特定工作场所中的危险物的浓度和含量来选择。
    呼吸系统防护
    不需要保护呼吸。如需防护粉尘损害,请使用N95型(US)或P1型(EN 143)防尘面具。
    呼吸器使用经过测试并通过政府标准如NIOSH(US)或CEN(EU)的呼吸器和零件。

模块 9. 理化特性
  9.1 基本的理化特性的信息
    a) 外观与性状
    形状: 固体
    b) 气味
    无数据资料
    c) 气味阈值
    无数据资料
    d) pH值
    无数据资料
    e) 熔点/凝固点
    熔点/凝固点: 71 - 73 °C
    f) 起始沸点和沸程
    无数据资料
    g) 闪点
    无数据资料
    h) 蒸发速率
    无数据资料
    i) 易燃性(固体,气体)
    无数据资料
    j) 高的/低的燃烧性或爆炸性限度 无数据资料
    k) 蒸汽压
    无数据资料
    l) 蒸汽密度
    无数据资料
    m) 相对密度
    无数据资料
    n) 水溶性
    无数据资料
    o) n-辛醇/水分配系数
    无数据资料
    p) 自燃温度
    无数据资料
    q) 分解温度
    无数据资料
    r) 粘度
    无数据资料

模块 10. 稳定性和反应活性
  10.1 反应性
    无数据资料
  10.2 稳定性
    无数据资料
  10.3 危险反应的可能性
    无数据资料
  10.4 应避免的条件
    无数据资料
  10.5 不兼容的材料
    酸, 酰氯, 酸酐, 氧化剂
  10.6 危险的分解产物
    其它分解产物 - 无数据资料

模块 11. 毒理学资料
  11.1 毒理学影响的信息
    急性毒性
    无数据资料
    皮肤刺激或腐蚀
    无数据资料
    眼睛刺激或腐蚀
    无数据资料
    呼吸道或皮肤过敏
    无数据资料
    生殖细胞突变性
    无数据资料
    致癌性
    IARC:
    此产品中没有大于或等于 0。1%含量的组分被 IARC鉴别为可能的或肯定的人类致癌物。
    生殖毒性
    无数据资料
    特异性靶器官系统毒性(一次接触)
    无数据资料
    特异性靶器官系统毒性(反复接触)
    无数据资料
    吸入危险
    无数据资料
    潜在的健康影响
    吸入        吸入可能有害。 可能引起呼吸道刺激。    
    摄入        如服入是有害的。    
    皮肤        如果通过皮肤吸收可能是有害的。 可能引起皮肤刺激。    
    眼睛        可能引起眼睛刺激。    
    附加说明
    化学物质毒性作用登记: 无数据资料

模块 12. 生态学资料
  12.1 生态毒性
    无数据资料
  12.2 持久存留性和降解性
    无数据资料
  12.3 潜在的生物蓄积性
    无数据资料
  12.4 土壤中的迁移性
    无数据资料
  12.5 PBT 和 vPvB的结果评价
    无数据资料
  12.6 其它不利的影响
    无数据资料

模块 13. 废弃处置
  13.1 废物处理方法
    产品
    将剩余的和未回收的溶液交给处理公司。
    受污染的容器和包装
    作为未用过的产品弃置。

模块 14. 运输信息
  14.1 联合国危险货物编号
    欧洲陆运危规: -        国际海运危规: -        国际空运危规: -    
  14.2 联合国(UN)规定的名称
    欧洲陆运危规: 非危险货物
    国际海运危规: 非危险货物
    国际空运危规: 非危险货物
  14.3 运输危险类别
    欧洲陆运危规: -        国际海运危规: -        国际空运危规: -    
  14.4 包裹组
    欧洲陆运危规: -        国际海运危规: -        国际空运危规: -    
  14.5 环境危险
    欧洲陆运危规: 否        国际海运危规 海运污染物: 否        国际空运危规: 否    
  14.6 对使用者的特别提醒
    无数据资料


模块 15 - 法规信息
N/A


模块16 - 其他信息
N/A

海关数据查看详细

中国海关编码:2909499000

概述:
2909499000 其他醚醇及其卤化、磺化、硝化或亚硝化衍生物. 增值税率:17.0% 退税率:9.0% 监管条件:无 最惠国关税:5.5% 普通关税:30.0%
申报要素:
品名, 成分含量, 用途
摘要/Summary:
2909499000. ether-alcohols and their halogenated, sulphonated, nitrated or nitrosated derivatives. VAT:17.0%. Tax rebate rate:9.0%. . MFN tariff:5.5%. General tariff:30.0%

分子结构与计算化学数据展开↓

计算化学数据


1.疏水参数计算参考值(XlogP):无

2.氢键供体数量:1

3.氢键受体数量:3

4.可旋转化学键数量:5

5.互变异构体数量:无

6.拓扑分子极性表面积38.7

7.重原子数量:18

8.表面电荷:0

9.复杂度:226

10.同位素原子数量:0

11.确定原子立构中心数量:0

12.不确定原子立构中心数量:0

13.确定化学键立构中心数量:0

14.不确定化学键立构中心数量:0

15.共价键单元数量:1

上下游相关产品

上游产品

更多
  • 2426-87-1

    4-苄氧基-3-甲氧基苯甲醛

  • 498-00-0

    4-羟基-3-甲氧基苄醇

  • 100-39-0

    溴化苄

  • 121-33-5

    香草醛

  • 100-44-7

    苄基氯

下游产品

更多
  • 498-00-0

    4-羟基-3-甲氧基苄醇

  • 222622-96-0

    1-bromo-2-(bromomethyl)-4-methoxy-5-phenylmethoxybenzene

  • 2426-87-1

    4-苄氧基-3-甲氧基苯甲醛

  • 169137-67-1

    (4-benzyloxy-2-iodo-5-methoxyphenyl)methanol

  • 1860-57-7

    2-(3-甲氧基-4-苯基甲氧基苯基)乙胺盐酸盐

立即下载安装“化学加”APP
专业、功能强大,随时调用更加方便